鋁型材模型
Profile Model
Profile Model
聯系APAS / Contact us
- 地址:天津市西青經濟技術開發區賽達國際工業城A3-2.
- 郵箱:lxc@apas.com.cn
- 電話:022-87920088
- 傳真:請聯系網絡管理員
- 郵編:300385
- 咨詢熱線:13702119190(24小時服務熱線)
鋁型材模型
/ Profile Model

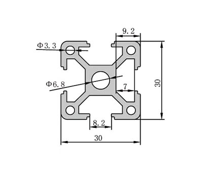
3030重型鋁型材3d模型
產品描述 / Name
3030重型鋁型材是根據特殊框架承載能力及物理強度需求而開發出的一款重型框架材料,具有較高的抗拉強度及屈服強度,適用于高承載鋁型材框架結構的設計搭建,屬于30系列標準規格型材;
022-87920099
可以根據需求進行設計加工,提供上門安裝服務;可以根據特殊需求進行鋁型材開模定制。
* 免費提供工業鋁型材選型手冊 →點擊咨詢
內容來源:http://m.postbar.cn 作者:武將 發布日期:2019年09月02日 14時10分 閱讀次數:3300 次
| 3030重型鋁型材三維模型介紹: |
| 重型鋁型材是根據特殊框架承載需求而開發出的重型框架型材,與標準型才區別于材料厚度及物理強度更高,適用于高承載、高強度工業框架的設計組裝;3030重型鋁型材屬于30系列標準規格常用框架型材,可搭配30系列鋁型材專用連接配件即可實現框架結構的快速組裝; |
![]() ![]()
|
|
|
|
3030重型鋁型材規格參數
|
|||||||
|
規格型號
|
材質
|
型材重量
|
慣性矩
|
慣性矩
|
彎矩
|
彎矩
|
訂貨編號
|
|
profile
|
material
|
weight
|
Ix(cm^4)
|
Iy(cm^4)
|
Wx(cm3)
|
Wy(cm3)
|
order NO.
|
|
30×30重型
|
鋁AL(6063-T5)
|
1.21kg/m
|
3.99
|
3.99
|
2.65
|
2.65
|
P8-3030W
|
聯系APAS/ Contact us
天津艾普斯工業鋁型材股份有限公司
聯系電話:022-87920088
企業傳真:(避免惡意廣告)請聯系該企業網絡管理員
服務熱線:13702119190 (24小時服務熱線)
Q Q:534973906
企業郵箱: lxc@apas.com.cn
企業地址:天津市西青經濟技術開發區賽達國際工業城A3-2
聯系電話:022-87920088
企業傳真:(避免惡意廣告)請聯系該企業網絡管理員
服務熱線:13702119190 (24小時服務熱線)
Q Q:534973906
企業郵箱: lxc@apas.com.cn
企業地址:天津市西青經濟技術開發區賽達國際工業城A3-2
采購意向留言:* 為必填







-05精益管工作臺主圖.jpg)

.jpg)





QQ咨詢
電話聯系
聯系電話

在線留言
樣冊下載
