連接件模型
Connector Model
Connector Model
聯系APAS / Contact us
- 地址:天津市西青經濟技術開發區賽達國際工業城A3-2.
- 郵箱:lxc@apas.com.cn
- 電話:022-87920088
- 傳真:請聯系網絡管理員
- 郵編:300385
- 咨詢熱線:13702119190(24小時服務熱線)
連接件模型
/ Connector Model

45系列鋁型材角槽連接件3d模型
產品描述 / Name
角槽連接件主要適用于兩支鋁型材90度直角連接,屬于鋁型材快速緊固連接配件之一,可以下載連接件SLDWORKS數模3d模型進行鋁型材框架設計組裝;
022-87920099
可以根據需求進行設計加工,提供上門安裝服務;可以根據特殊需求進行鋁型材開模定制。
* 免費提供工業鋁型材選型手冊 →點擊咨詢
內容來源:http://m.postbar.cn 作者:武將 發布日期:2020年03月24日 13時20分 閱讀次數:3421 次
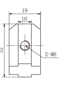
| 45系列鋁型材角槽連接件適用于槽10系列鋁型材直角連接;角槽連接件屬于便捷型鋁型材緊固連接配件之一;采用角槽連接件實現兩支鋁型材90度直角連接不需要進行打孔攻絲處理,將連接件兩端分別插入型材槽內鎖緊即可; |
![]() ![]()
|
| 45系列鋁型材角槽連接件分為碳鋼和鋁合金兩種材質,可以根據組裝框架所需強度的不同選取相應規格的角槽連接件進行連接組裝;碳鋼材質角槽連接件物理強度高,承受張力能力強,不易炸裂;而鋁合金材質角槽連接件產品韌性較低,低溫環境下或受張力較大時容易炸裂,從而影響使用性能; |
|
槽型規格
|
螺紋
|
材質
|
訂貨編號
|
|
槽10
|
M8
|
碳鋼/鋁合金
|
CE-IB3238-M8-10-45
|
聯系APAS/ Contact us
天津艾普斯工業鋁型材股份有限公司
聯系電話:022-87920088
企業傳真:(避免惡意廣告)請聯系該企業網絡管理員
服務熱線:13702119190 (24小時服務熱線)
Q Q:534973906
企業郵箱: lxc@apas.com.cn
企業地址:天津市西青經濟技術開發區賽達國際工業城A3-2
聯系電話:022-87920088
企業傳真:(避免惡意廣告)請聯系該企業網絡管理員
服務熱線:13702119190 (24小時服務熱線)
Q Q:534973906
企業郵箱: lxc@apas.com.cn
企業地址:天津市西青經濟技術開發區賽達國際工業城A3-2
采購意向留言:* 為必填















QQ咨詢
電話聯系
聯系電話

在線留言
樣冊下載
