連接件模型
Connector Model
Connector Model
聯系APAS / Contact us
- 地址:天津市西青經濟技術開發區賽達國際工業城A3-2.
- 郵箱:lxc@apas.com.cn
- 電話:022-87920088
- 傳真:請聯系網絡管理員
- 郵編:300385
- 咨詢熱線:13702119190(24小時服務熱線)
連接件模型
/ Connector Model

45系列鋁型材內置連接件3d(數模)模型
產品描述 / Name
鋁型材內置連接件適用于特殊連接需求的鋁型材框架內部連接,裝配前需要對鋁型材進行嚴格的工藝孔加工處理;可以下載內置連接件SLDWORKS三維數模進行鋁型材框架結構的設計組裝;
022-87920099
可以根據需求進行設計加工,提供上門安裝服務;可以根據特殊需求進行鋁型材開模定制。
* 免費提供工業鋁型材選型手冊 →點擊咨詢
內容來源:http://m.postbar.cn 作者:武將 發布日期:2020年03月25日 10時10分 閱讀次數:2771 次
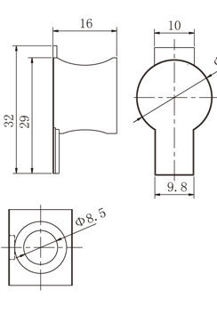
| 45系列鋁型材內置連接件適用于鋁型材之間十字連接或直角連接,裝配時需要在鋁型材規定尺寸位置進行加工安裝工藝孔,然后將內置連接件放入工藝孔內鎖緊即可;內置連接件使用時需要搭配45系列彈性螺母以及圓柱頭螺栓進行配合使用; |
![]() ![]()
|
| 鋁型材內置連接件正如其名所述,屬于內部連接配件,可以將連接配件通過各種加工工藝置入型材槽坑之內,然后利用相應規格緊固螺栓及螺母進行緊固連接;內置連接優勢在于整體效果美觀,適用于一些特殊連接需求框架結構的組裝; |
|
槽型規格
|
安裝工藝尺寸
|
材質
|
訂貨編號
|
|||
|
孔徑
|
孔深
|
孔距
|
螺栓長度
|
|||
|
槽10
|
φ20
|
17
|
21
|
M8×30
|
鋅合金
|
CE-BJ20-10-45
|
聯系APAS/ Contact us
天津艾普斯工業鋁型材股份有限公司
聯系電話:022-87920088
企業傳真:(避免惡意廣告)請聯系該企業網絡管理員
服務熱線:13702119190 (24小時服務熱線)
Q Q:534973906
企業郵箱: lxc@apas.com.cn
企業地址:天津市西青經濟技術開發區賽達國際工業城A3-2
聯系電話:022-87920088
企業傳真:(避免惡意廣告)請聯系該企業網絡管理員
服務熱線:13702119190 (24小時服務熱線)
Q Q:534973906
企業郵箱: lxc@apas.com.cn
企業地址:天津市西青經濟技術開發區賽達國際工業城A3-2
采購意向留言:* 為必填















QQ咨詢
電話聯系
聯系電話

在線留言
樣冊下載
