連接件模型
Connector Model
Connector Model
聯系APAS / Contact us
- 地址:天津市西青經濟技術開發區賽達國際工業城A3-2.
- 郵箱:lxc@apas.com.cn
- 電話:022-87920088
- 傳真:請聯系網絡管理員
- 郵編:300385
- 咨詢熱線:13702119190(24小時服務熱線)
連接件模型
/ Connector Model

30系列鋁型材強力鑄鋁角件3d模型下載
產品描述 / Name
3030規格鋁型材強力角碼主要適用于高強度鋁型材框架90度直角結構的緊固連接,緊固強度高、支撐力強,可以下載強力鑄鋁角碼SLDWORKS三維模型進行框架結構的設計組裝;
022-87920099
可以根據需求進行設計加工,提供上門安裝服務;可以根據特殊需求進行鋁型材開模定制。
* 免費提供工業鋁型材選型手冊 →點擊咨詢
內容來源:http://m.postbar.cn 作者:武將 發布日期:2020年04月09日 11時11分 閱讀次數:3643 次
| 3030規格鋁型材強力鑄鋁角件適用于高強度鋁型材框架連接點的固定與支撐,也可以應用于移動位置或震動位置的型材連接;強力鑄鋁角件特點在于連接件兩側分別增加一個緊固連接點,很大程度提升了角件的緊固強度以及防松動能力; |
![]() ![]()
|
| 3030規格鋁型材強力鑄鋁角件為鑄鋁材質,物理強度很高,但是相對于型材角件對比韌性較低,在低溫環境下受強扭力有可能發生炸裂現象;強力鑄鋁角件大幅度提升了連接件的緊固強度以及支撐能力,適用于高強度鋁型材框架的組裝連接; |
|
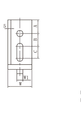
槽型規格
|
L(mm)
|
W(mm)
|
W1(mm)
|
A(mm)
|
B(mm)
|
C(mm)
|
D(mm)
|
R(mm)
|
材質
|
訂貨編號
|
|
槽8 |
58
|
28
|
7.8
|
15
|
15.5
|
12
|
φ8.5
|
4.25
|
鑄鋁
|
CE-SB3060-8
|
聯系APAS/ Contact us
天津艾普斯工業鋁型材股份有限公司
聯系電話:022-87920088
企業傳真:(避免惡意廣告)請聯系該企業網絡管理員
服務熱線:13702119190 (24小時服務熱線)
Q Q:534973906
企業郵箱: lxc@apas.com.cn
企業地址:天津市西青經濟技術開發區賽達國際工業城A3-2
聯系電話:022-87920088
企業傳真:(避免惡意廣告)請聯系該企業網絡管理員
服務熱線:13702119190 (24小時服務熱線)
Q Q:534973906
企業郵箱: lxc@apas.com.cn
企業地址:天津市西青經濟技術開發區賽達國際工業城A3-2
采購意向留言:* 為必填















QQ咨詢
電話聯系
聯系電話

在線留言
樣冊下載
