連接件模型
Connector Model
Connector Model
聯系APAS / Contact us
- 地址:天津市西青經濟技術開發區賽達國際工業城A3-2.
- 郵箱:lxc@apas.com.cn
- 電話:022-87920088
- 傳真:請聯系網絡管理員
- 郵編:300385
- 咨詢熱線:13702119190(24小時服務熱線)
連接件模型
/ Connector Model

30系列(雙槽)鋁型材45度角碼3d模型
產品描述 / Name
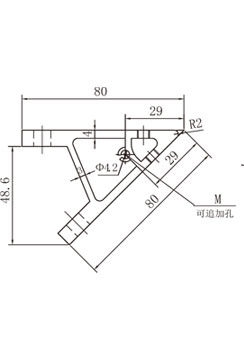
3030規格(雙槽)45度型材角碼主要適用于30系列3060、6060規格鋁型材框架45度或135度結構組裝連接,設計師可以下載型材角碼Solidworks三維模型進行框架的設計構思;
022-87920099
可以根據需求進行設計加工,提供上門安裝服務;可以根據特殊需求進行鋁型材開模定制。
* 免費提供工業鋁型材選型手冊 →點擊咨詢
內容來源:http://m.postbar.cn/ 作者:武將 發布日期:2020年09月25日 11時28分 閱讀次數:5789 次
| 30系列工業鋁型材45度雙槽型材角件主要適用于30系列雙槽工業鋁型材(如3060、6060規格)45度或135度結構組裝連接;型材角件連接組裝需要搭配專用緊固連接件(彈片螺母搭配圓柱頭螺栓或T型螺栓搭配法蘭螺母)實現快速裝; |
![]() ![]()
|
| 45度雙槽型材角件屬于高強度工業鋁型材連接配件,其材質為6063-T5系列鋁鎂合金材料,最大長度為6020mm,可以根據使用需求進行加工處理;型材角件優勢在于其連接強度以及韌性,在受到較大扭力情況下不會輕易炸裂,適合應用于低溫環境下;型材角件兩側有攻絲孔,可以用于加工安裝側面封板; |
|
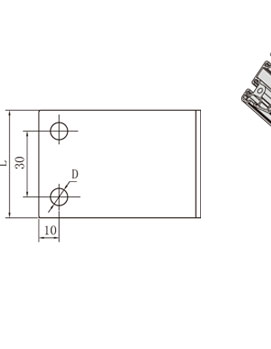
槽型規格
|
L(mm)
|
D(mm)
|
M
|
材質
|
訂貨編號
|
|
槽8
|
56
|
φ6.5/φ8.5
|
M5
|
6063-T5
|
CE-L8080-3056
|
聯系APAS/ Contact us
天津艾普斯工業鋁型材股份有限公司
聯系電話:022-87920088
企業傳真:(避免惡意廣告)請聯系該企業網絡管理員
服務熱線:13702119190 (24小時服務熱線)
Q Q:534973906
企業郵箱: lxc@apas.com.cn
企業地址:天津市西青經濟技術開發區賽達國際工業城A3-2
聯系電話:022-87920088
企業傳真:(避免惡意廣告)請聯系該企業網絡管理員
服務熱線:13702119190 (24小時服務熱線)
Q Q:534973906
企業郵箱: lxc@apas.com.cn
企業地址:天津市西青經濟技術開發區賽達國際工業城A3-2
采購意向留言:* 為必填













-02工廠車間工作臺主圖.jpg)

QQ咨詢
電話聯系
聯系電話

在線留言
樣冊下載
